The ruby laser was the very first laser device in history. Ruby lasers produce powerful pulses of visible, red, laser light. The fluorescence life of ruby is in the millisecond range, which permits easy storage of large quantanties of energy. This relatively long fluorescence life also causes ruby to become an ideal candadite for q-switching, which can yield huge peak powers in the mega-watt range! Unlike the output from common yag-based devices, the long pulse from a ruby laser makes it capable of drilling and boring through hard materials with a dramatic display of sparks and vapor. In terms of photographic portreyal of laser power, ruby is perhaps one of the most interesting examples. The visible output makes ruby somewhat unique when compared with other high power sources among classic laser types.
My experience with this laser has been a journey. I conducted experiments with a variety of different flashlamps, reflector configurations, and resonator mirrors. What originated as a complicated device eventually progressed to a simple design with excellent performance. Before covering my history with the development of this device, I would like to direct attention to the display below. Here are some action shots, showing some of the more interesting examples of laser performance.
To see a video example of ruby laser in action, using iPhone 6 "Slo-Mo" feature at ~ 240 fps, further enhanced with "SloPro" app, click Here
Shooting Hole Through a Spoon:
Hole Through Stainless Steel Ruler:

The following three photos (L-R) show the result of three laser pulses in a row, without any repositioning of the lens or target between shots. The first photo shows a ruby laser beam focused onto a small piece of cigarette lighter flint. With the second pulse, the focused beam strikes below the surface of this target (because now a small pit has been made). Less white light intensity during the second shot permits a better view of the sparks. On the third shot, energy density is reduced because the part of the beam that strikes the target (inside the pit that has been made from the two previous shots) is past the focal point of the lens.
This example somewhat illustrates a limit I have encountered with laser drilling. In order to drill through something like steel, the laser beam has to be tightly focused. If the target is positioned in front of, or past this focal point; the energy density is not high enough to vaporize target materials like metal. This is a problem when attempting to drill through anything more than a few millimeters thick: as the drill hole becomes progressively deeper with each laser pulse, the remaining metal eventually falls past the focal point of the focusing lens. In an effort to overcome this problem, I tried mounting the lens onto a rail-mounted sled from inside an old CD/DVD reader/burner. It was actually a very clever idea suggested to me by Milan Karakas. After doing so however, I discovered an entirely new situation: as the cone shaped beam was moved closer into the target with successive pulses, the sides of the 'cone' began to become blocked by the front surface of the target, which surrounded the outer circumference of the hole. As the lens was moved closer to the target, an increasingly larger percentage of the beam profile was blocked from entering the tunnel which had been created by preceding pulses. Eventually the advantages of moving the focal point into the target had all but completely disappeared.
Charred Wood
Carbon absorbs most of the light that falls upon it's surface, and reflects very little of it. At the wavelength of a ruby laser, no lens is necessary to heat carbon to the point of incandescence. The resulting plume of fire is projected away from the target with some force: sometimes moving small target samples due to the thrust that is created. It is quite a spectacular display. The photos below show what happens when the beam strikes a piece of wood that has been pre-charred (burned). An unfocused beam was used in the top picture, and the plume in the bottom picture is a result of the focused laser output. Without pre-charring, the laser beam would have very little effect on a piece of lightly colored wood. The pulse does not last long enough to effect a lightly colored surface - at least not with an unfocused beam.


Charcoal is one of my favourite targets. Below are a few examples I like. The picture below shows an interesting plume made with charred wood. Directly below this picture is one which illustrates the results obtained with artist's charcoal. It is followed by another 'charred wood' shot. The bottom four photos (L-R) show artist's charcoal, followed by three photos which display laser fire on BBQ charcoal.
Here are some pictures of the laser device firing, shortly after it was completed. The cherry red beam is visible in my smoke filled room. My eyes are shut tightly, and I am looking down (away from the laser device) as it is firing. There are no second chances with this type of laser: even a stray reflection or glare from the laser beam will result in a very serious and permanent eye injury. The flashlamps are also very dangerous. They put out enough light to be an eye hazard, as well as being a burn hazard to exposed skin at close range.


The ruby laser is relatively simple device - simple in physical structure.
At the heart is a synthetic ruby that has been fashioned into a cylinder.
A large xenon flashtube is placed parallel to the ruby, and a reflector
is placed around them. Light from the flash is concentrated into the ruby,
by this reflector.
Design and experimentation with this device has been a fascinating journey. The initial design was elaborate but did not result in a working laser.
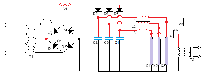
Success came with a crude design of little more than a rod and lamp strapped to a block of wood. But initially the lamps were small and the main energy storage capacitors had to be grouped into manageable sections. There was a pair of capacitors for each lamp. Each pair of capacitors and corresponding lamps were isolated at the anodes through diode rectifiers. The cathode side of the lamps and capacitors were combined into a common connection. The following schematic shows how the main energy storage circuitry and trigger circuitry are combined.
The beauty of this device is that it allows the trigger circuit and the main energy storage circuit, incompatible with each other due to their differences in voltage, to share the same xenon flashlamps.
In figure 2,"T1"is the charging transformer. 120vac from the mains is applied across the primary of "T1". This induces current, across the secondary, at 550vac. D1 - D4 and C1 comprise a full wave rectifier. The output from this rectifier (775.5vdc RMS) charges C2, C3, and C4 through R1. D5, D6 and D7 isolate C2, C3, and C4. The isolation is necessary because C2, C3, and C4 are connected to separate lamps. Each of these capacitor deliver energy to the 3 separate lamps through inductors L1, L2 and L3. In terms of optimization, these inductors can be designed to shape the energy pulse to best match the optical requirements of the system. In a more immediate sense, adequate inductance is absolutely necessary to prevent trigger pulses from bypassing the lamps and passing through C2, C3, and C4. In a like manner C5, C6 and C7 prevent current from the energy storage capacitors from bypassing the lamps and shorting through the respective secondaries of trigger transformer T2. T2 has three separate secondaries sharing a common primary. A pulse of electric current across this primary induces 3 separate HV pulses in the secondaries of T2. These pulses represent very little current, but they are at a potential of many kilovolts. It is this high voltage that is able to ionize the xenon gas within the lamps, thereby forming a conductive path for the energy, which only has a potential of slightly over 700 volts, stored in C2, C3 and C4.The reason for separate circuits was that the original lamps were individually too small to accommodate more than one pair of capacitors (C2, C3 and C4 each representing a single pair of capacitors in series). This requirement resulted in an interesting journey of trial and error experimentation to resolve problems associated with obtaining and maintaining consistent results triggering the 3 separate lamps. Eventually this approach was abandoned in favor of a single lamp that was rated for more than the total energy of C2, C3 and C4.
The common problem, with my designs to accommodate simultaneous triggering of two or more lamps, was in obtaining consistent and uniform results. Not all lamps would fire, thereby leaving some of the capacitors charged after triggering. The problem wasn't with the lamps or capacitors but rather the trigger coil itself - in the case of multiple secondaries sharing a common primary, the energy wasn't distributed evenly across all secondaries. This was evident by viewing the appearance of the trigger sparks within the lamps. In the absence of the main energy storage capacitors, the output from the trigger coil secondaries would be manifested as thin sparks on the insides of the lamps.
The picture to the right shows sparks that were obtained using my original layout with three lamps. Notice that there are no sparks in the top lamp. In addition to unreliable results whereby one lamps failed to trigger entirely, sparks that did appear varied in intensity and strength.
The idea to build a trigger transformer with multiple secondaries was proposed by Douglas Little. After this transformer was completed and implemented, Douglas Little confessed that it had been experimental on his part.
A photo of my original trigger transformer based upon the Douglas Little design. The primary is the white cylinder on the left with less than two turns of wire. The secondary is to the right of the primary, with three sections containing many turns of fine wire. The individual sections of the primary are separated by styrofoam discs. These discs were constructed by combining individual circles cut from styrofoam plates. The circles were combined using glue, resulting in a relatively strong laminated structure.Induction coils can theoretically be designed to produce voltages limited only by the turns ratio of primary to secondary wire. Levels that extend beyond this are also possible with carefully engineered resonance. There are however practical difficulties that arise as voltage becomes increasingly higher - the most significant problem is the tendency for high voltage to arc through wire insulation and around insulating barriers. To alleviate this problem, many designers submerge transformers in insulating oils where extremely high voltages are involved. Such measures however can be inconvenient.
In consideration of the circumstances that exists with HV transformer secondary windings, the potential between any two adjacent turns isn't significant provided that each turn is placed next to a successive turn. When however a turn from one end of the secondary overlaps or contacts a turn that is too close to the opposite end of the secondary, the potential difference between opposing ends can be too great for the wire insulation.At this point in my experimentation, I considered the effects of increased voltage on trigger variations. My assumption was that by increasing the voltage of the trigger source, I could overcome net losses in such a way that all three lamps would receive adequate energy in order to yield internal sparks necessary for successful triggering. I had working experience with classic electrostatic generators such as the Wimshurst machine, and I begin to ponder the possibility of such an electrostatic "influence" machine-based triggering system. The voltage from such a machine is inherently high, but the current is commonly in the micro amp range. The danger with excessively high voltage is in the potential harm that it can represent to sensitive electronic components. Fortunately in my case, the electrostatics eliminate the need for sensitive electronic components. However, I still wanted to isolate the main energy storage capacitors from the raw output of the electrostatic machine. Although the main energy storage capacitors are nothing more than large electrolytic capacitors with no additional solid-state components beyond rectifying diodes, I didn't want to take a chance on damaging them. So I worked on a method to isolate the electrostatic side of the circuit from the actual electrical circuitry. In addition, there was still the problem of separating a single pulse of electricity into three separate pulses. In order to do this, I designed a trigger transformer that was similar to the first one, except that it was designed to accommodate the high voltage levels that are provided by electrostatically charged capacitors. The levels of voltage and capacitance thereof required an air core transformer to isolate one circuit from another. This resulted in something quite simple when compared with the usual requirement for triggering - with everyday electrical circuitry, the voltages necessary for triggering can only be obtained using a properly designed transformer. The transformer must turn several hundred volts into many thousands, and this can only be accomplished by using a proper ferrite core and an adequate turns ratio. The output voltage from a Wimshurst machine is inherently and excessively high however, and any transformer that is used serves primarily to isolate and protect the main electrical circuitry from the Wimshurst machine. This simplifies the overall requirements because obtaining adequate voltage is not a problem.
Two approaches were experimentally tried: one created three separate pulses, based on Douglas Little's approach of designing the trigger transformer so that there were three separate secondaries sharing a common primary. The other approach used a more conventional trigger transformer with a single secondary and primary, but the single output pulse was split into three separate pulses using a four plate capacitor. The four plate capacitor was my idea - I referred to it as a 'splitter capacitor'. It also served as a filter capacitor by blocking the main energy pulse while passing the trigger energy. This small capacitor acted as an open circuit for the big electrolytic capacitors, but it happily passed the HV trigger pulse.
Although I cannot recall with clarity the outcome of these experimental approaches, the results were probably unreliable. At some point I changed my course of action and decided to pursue a single lamp which was capable of handling the total energy storage. I found a lamp on eBay, and it was rated for 800 Joules.
As is often the case with used or obsolete items found on eBay, the price was very reasonable. Arbitrarily priced offers, from private individuals, is one of the things that I like most about eBay. It's possible to find an item that's overpriced, but it's also possible to get an extremely good deal on a valuable item. Whether it's laser rods, optics, lamps or electronics; eBay makes it possible to get unusual or specialized parts for much less than what the amateur would pay if purchasing them from a retailer. Even when purchasing parts from companies who specialize in used or surplus parts for the hobbyist, it's difficult to beat the prices that can be had through diligent and patient searches on eBay. Patience is the key - many amateurs want to rush out and buy the first item they encounter, but it's wise to wait until you obtain a bargain. It's obviously a balancing act between the value of the bargain and that of the relevance of the item, but it's wise to avoid paying hundreds of dollars for something that can actually be obtained for 1/5 the price.
In my original designs, the trigger pulse was applied directly to the lamp electrodes. At some point along the way I decided to apply the trigger charge directly to the reflector. One lead from the trigger output was placed on the cathode end of the lamps, and the other was placed on the reflector. In this way it was possible to trigger both lamps utilizing capacitive coupling through lamp walls. Triggering by capacitive coupling through lamp walls isn't the best way, but it's often the easiest.
The following three thumbnails show the laser rod, the two lamps, and the respective models that are designed to facilitate the construction process.
In the picture to the immediate left, the capacitors are shown as individual components. Although there are
10 units in total, I plan to initially test the lamps using only 8 capacitors. If the lamps do not show
any signs of wear or stress, then I will consider adding the additional pair.
In the picture on the right, the series parallel arrangement is shown. It totals 2240J at 800V. In addition to balancing
resistors, each capacitor has neon lamps to indicate charge.
The next photo, on the left, gives a detailed glimpse of an example of the resistor arrangement that is placed across each capacitor.
The next iteration of my first ruby laser, subsequent to the model 2012. It uses the original capacitor bank and 4mm x 80mm (active area) ruby. Major changes include transparent acrylic construction, custom mirror mounts and greater energy storage. The laser uses the same 1500uF capacitor bank. However, the capacitors are charged to 750v, storing over 420 joules of electrical charge.